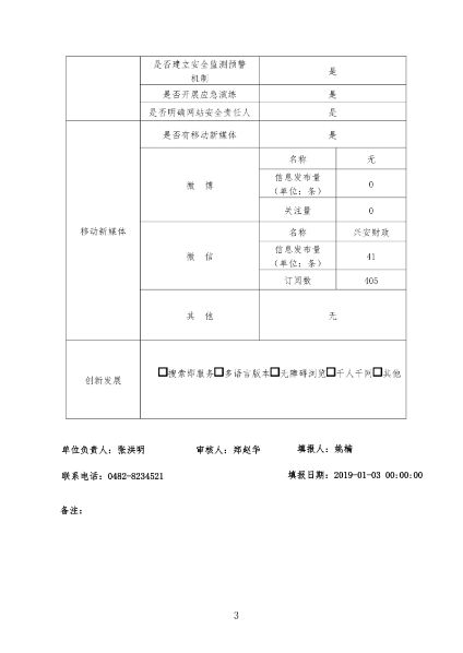
2018年兴安盟财政局政府网站工作年度报表

来源:盟财政局 发布时间:2019-01-03 11:33

字体大小:A+ A A- 分享: 打印

上一篇

下一篇

相关文章