登录个人中心
|
智能问答
|
繁
|
蒙古文版
|
无障碍阅读
长者版
搜索
首页
要闻动态
政务公开
政务服务
政民互动
数据发布
魅力兴安
当前位置:
首页
/
政务公开
/
政府信息公开
/
信息公开详情页
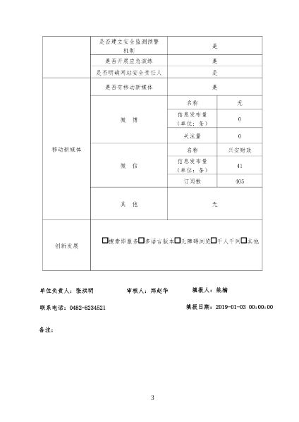
2018年兴安盟财政局政府网站工作年度报表
来源:盟财政局
发布时间:2019-01-03 11:33
字体大小:
A+
A
A-
分享:
打印
上一篇
下一篇
关闭
相关文章